中途半端ネットは㈱ナンゴーが運営する中途半端領域のモノづくりに特化したソリューションサイトです。
ENGLISH
工場見学大歓迎!<最新の動画はこちら>
メールフォームからのお問い合せには1時間以内に対応します。お電話でもお気軽にお問合せください。
※「●」を「@」記号に置き換えて下さい。
サイト検索 入力例「逃げ加工」など
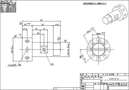
部品加工に関して、ポンチ絵しか無い場合でも、図面を作成いたします!
ご提示いただくポンチ絵例
作成させていただいた図面例
※実際にお客様からご依頼のあった案件を許可を頂いた上で掲載しております。
▲このページの先頭へ